一、概述
ZDK型雙氣路組合電磁空氣閥是將水電站水輪發電機組制動的手動、自動工作回路集成一體,實現機組的制動。雙氣路組合電磁空氣閥主要用于水電站水輪發電機組轉速下降至額定轉速35~40%時,接受轉速信號繼電器來的電氣信號,使電磁閥動作,將壓縮空氣通往制動腔或復歸腔,實現制動投入或制動復歸,完成機組自動停機過程。同時設有手拉閥,實現手動停機。
二、型號說明

三、技術參數
1)、工作氣壓:0.3~1.0MPa
2)、工作介質:空氣、無腐蝕性氣體
3)、工作電壓:DC220V、AC220V
4)、通 徑:8、10、15mm
5)、制動方式:雙氣路
6)、工作方式:自動、手動
7)、連接方式:卡套式管接頭
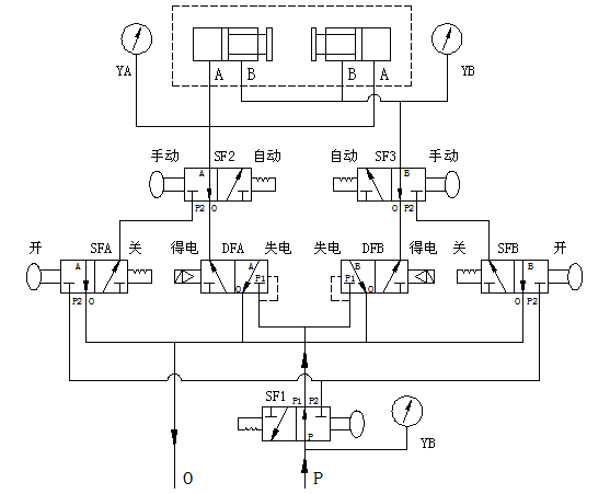
四、工作原理
自動剎車:電磁閥線圈處于失電狀態,手拉閥SF1、SF2、SF3往里推至自動狀態,過濾后壓縮氣體從進氣腔(P腔)進入集成塊。當接收到停機指令時,制動電磁閥DFA得電開閥,使壓縮氣體進入制動腔(A腔), 從而實現對制動器的投入, 加速機組的制動停機;
當轉速信號繼電器發出0%信號時,停機繼電器(延長0.5~1.0分鐘)使制動電磁閥失電,排出制動腔氣體,復歸電磁閥DFB得電,使壓縮氣體進入復歸腔(B腔), 從而實現對制動器的復位,復位發出到位信號后,復歸電磁閥失電,排出復歸腔氣體。從而完成機組自動停機過程。
手動剎車:手拉閥SFA、SFB處于關的狀態,手拉閥SF1、SF2、SF3往外拉至手動狀態,當滿足機組停機條件時,操作往外拉手拉閥SFA于開狀態,使壓縮氣體進入制動腔,當轉速降為零時,過一分鐘后往里推手拉閥SFA于關狀態,排出制動腔氣體;再往外拉手拉閥SFB于開狀態,使壓縮氣體進入復歸腔,制動器復位后往里推手拉閥SFB于關狀態,使復歸腔氣壓排出。從而從而完成機組手動停機過程。

五、安裝與維護
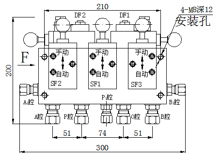
1)、安裝尺寸:4-M8牙深12mm孔間距為210X60mm;
2)、連接管路時,應將管內清理干凈,不得有鐵屑、銹鐵皮等臟物;
3)、總進氣口應加裝空氣過濾器;
4)、不可安裝在水濺到的地方;
5)、本裝置在出廠前已試驗合格,現場不可分解組裝;
6)、本裝置安裝工作正常后,一般不需要維護。
六、外形及安裝尺寸



|